Description
Product Overview
Name: Eaton Moeller series Power Defense molded case circuit-breaker
Catalog Number / Model Code: PDE34N0630B1NS
EAN: 9010238105232
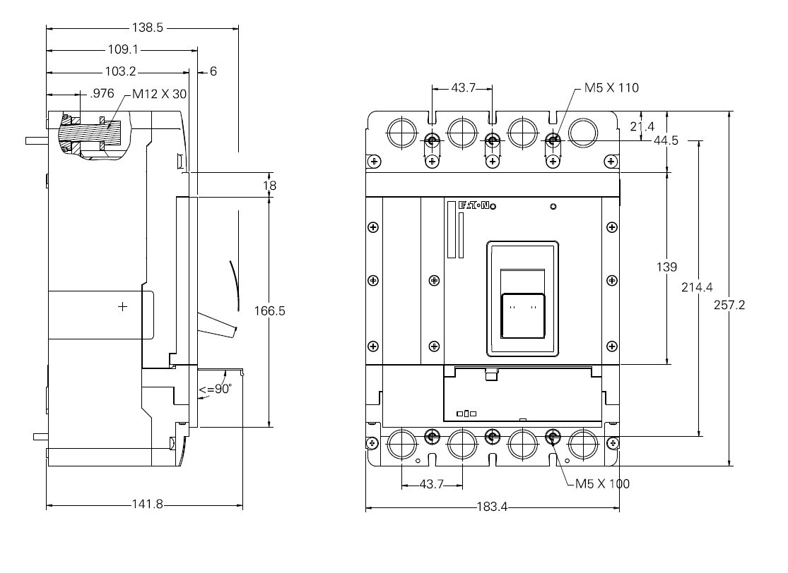
Dimensions (LxHxW): 25.7 cm x 13.8 cm x 18.3 cm
Weight: 7 kg
Compliances: RoHS conform
Certifications: IEC IEC/EN 60947
Delivery Program
Type: Circuit breaker
Circuit breaker frame type: PDE3
Number of poles: Four-pole
Amperage Rating: 630 A
Release system: Thermomagnetic release
Features: Protection unit, Motor drive optional
Special features: PXR 10 electronics
Technical Data – Electrical
Voltage rating: 220 V – 440 V
Voltage rating (DC): 250 V
Rated impulse withstand voltage (Uimp) at auxiliary contacts: 4000 V
Rated impulse withstand voltage (Uimp) at main contacts: 8000 V
Rated current (Iu): 630 A
Instantaneous current setting (Ii) – min: 1260 A
Instantaneous current setting (Ii) – max: 7182 A
Overload current setting (Ir) – min: 200 A
Overload current setting (Ir) – max: 630 A
Rated short-circuit breaking capacity Ics (IEC/EN 60947): 100 kA at 230 V, 70 kA at 400/415 V, 37 kA at 440 V
Electrical connection type of main circuit: Screw connection
Number of operations per hour – max: 60
Handle type: Rocker lever
Utilization category: A
Overvoltage category: III
Pollution degree: 3
Direction of incoming supply: Vertical and 90° in all directions
Technical Data – Mechanical
Mounting Method: Fixed, Complete device in housing, DIN rail (top hat rail) mounting optional
Degree of protection: IP2X
Number of auxiliary contacts (change-over, normally closed, normally open): 0
Position of connection for main current circuit: Front side
Special features: PXR 10 electronics
Lifespan, mechanical: 15000 operations
Terminals
Standard terminals: Screw terminal
Design Verification as per IEC/EN 61439 – Technical Data
Rated operational current for specified heat dissipation (In): 630 A
Ambient operating temperature range: -20 °C to 70 °C
Ambient storage temperature range: -20 °C to 70 °C
Additional Information
Functions: System and cable protection
Customs Tariff Code: 85362000














